|
This is a Reference page to help you decide what motor you
need to replace a worn out vacuum motor in your Carpet Cleaning machine!
We are also pointing you to the latest vacuum motors if you happen to want to
build your own carpet cleaning machine. Everyone who calls wants either to
upgrade their current machine or have the most powerful machine without paying
for a "truck-mount" system. Drying time is a real issue!!
Replacement motors:
If your machine uses 1 - 5.7" diameter motor, they are
usually 3-stage (fans-in the can) motors. If there is no pump and run off
a 15 amp circuit, the motor normally used is a 116765-13 or a LH6765-13.
This motor is also usually used if there is a pump and runs off a 20 amp circuit.
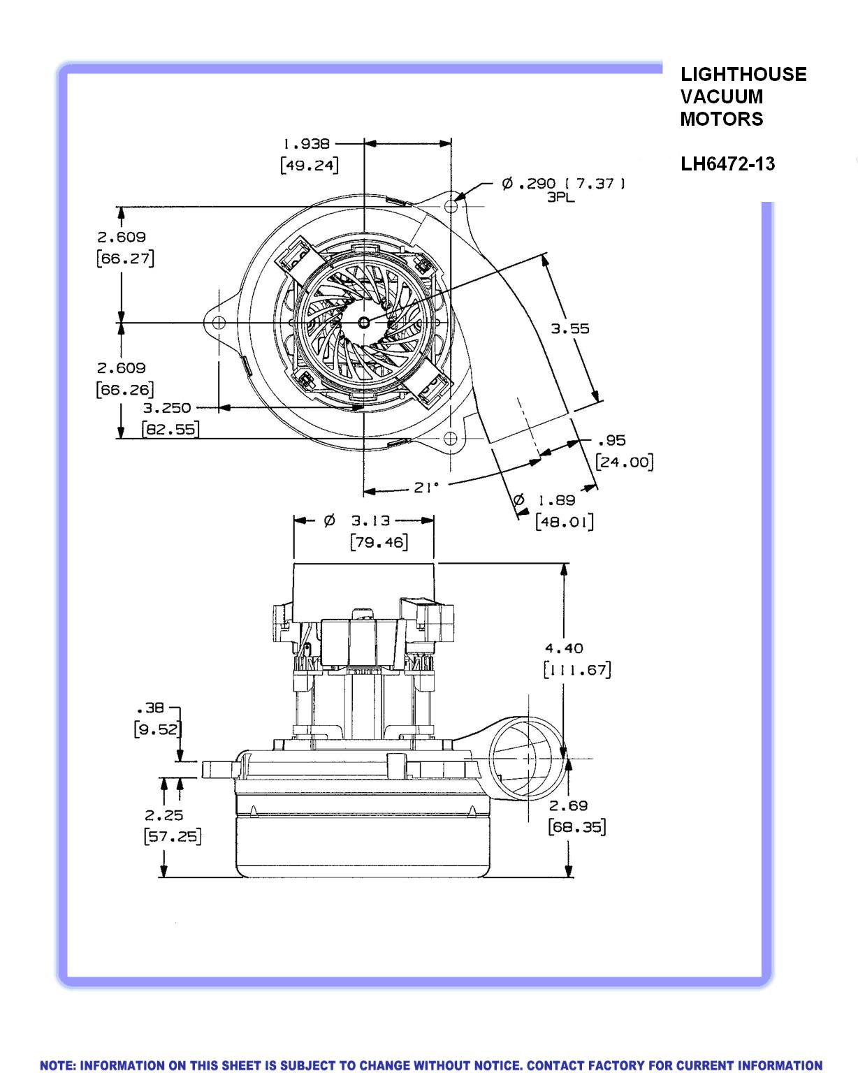
If your system uses 1 or 2 motors that are 2-stage (fans-in
the can)
motors, they are usually 116472-13 or LH6472-13. If the top cooling fan
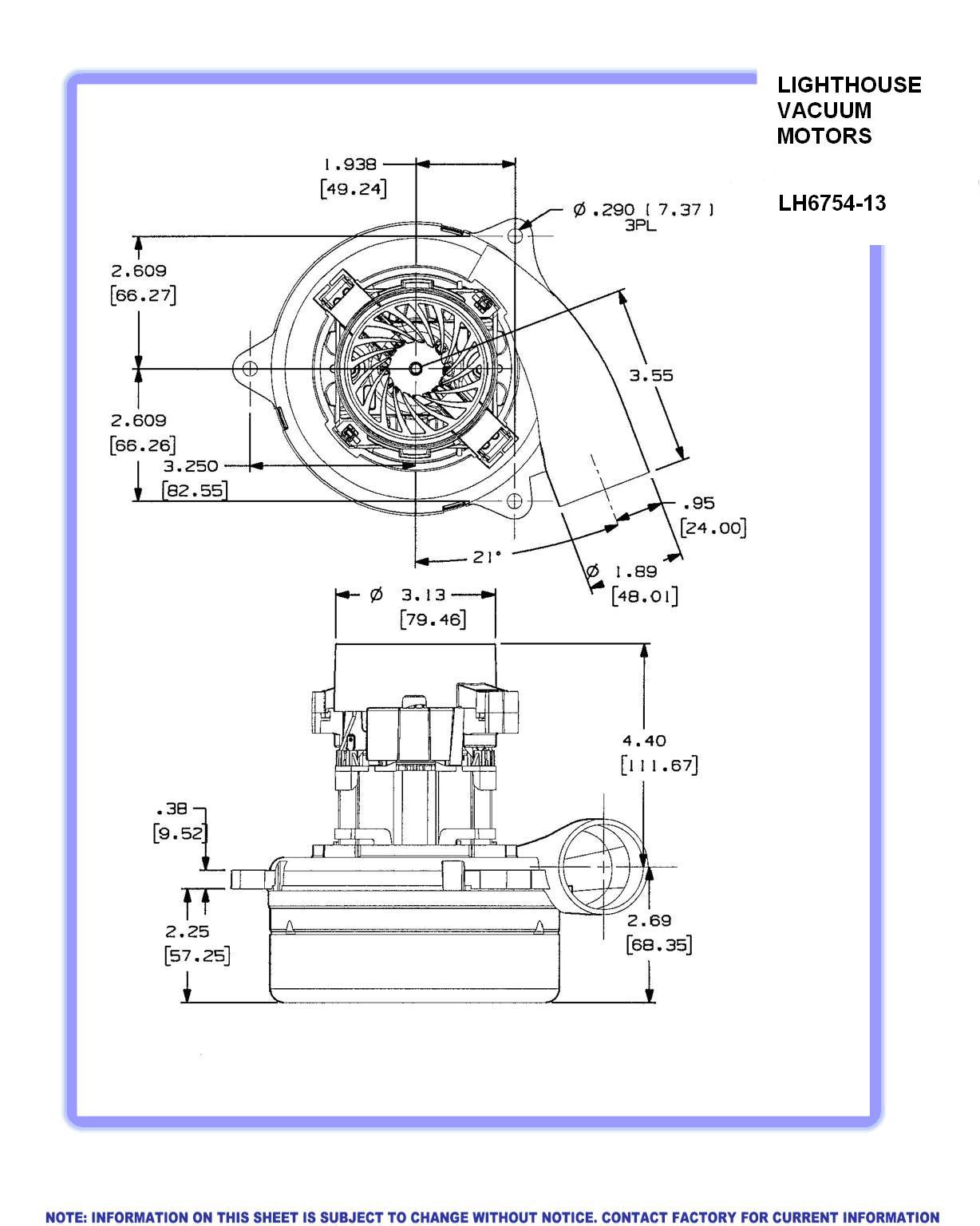
blows up you will need to use the 116754-13 or LH6754-13.
|
|
116754-13 |
Parts
Diagram
|
|
$187.98
same as 116472-13
except top fan
blows up drawing
the air from around the
armature and field |
4 wks |
|
 |
116754-13
120 volt |
LH6754-13
Product Bulletin
Diagram
same as 116472-13 except upper
n blows up instead of down. |
Stage
2 |
Air Watts
441 |
112"
used in Honey Bee Spot Cleaner |
CFM
106 |
Amps
10.7 |
$145 |
|
If your system uses a 7.2" diameter motor like the Thermax,
it uses the 117488-13 with the top fan blowing up.
If you are interested in making your own machine some great new motors
are now available. Ametek now has the 6.6" and 8.4"(with
7.2" mounting pattern) diameter motors in both 120 or 220 versions with recessed
bearings and with real moisture protection. Check out the 122234-18, 122176-18
and the 122178-18 vacuum motors. Also check out the Lighthouse Brand 5.7" OverDrive motors LH6765-OD in what ever voltage that you need. All the
above motors have a Conical bottom - they are not flat. These motors get
their extra power by having the fan thicker in the center. The new Ametek
6.6" and 8.4" can be run in series or in parallel or both.
 |
122176-18
CANADA
Priority Mail to
any province
(2 week service)
from the US
Special
$309.96 delivered |
8.4" 120v
2 stage |
Product
Bulletin |
$259.96
delivered |
NOW! |
|
 |
122178-18
CANADA
Priority Mail to
any province
(2 week service)
from the US
Special
$294.96 delivered |
8.4"
240v
2 stage |
Product
Bulletin |
$244.96
delivered |
|
|
Any motor that you get should really be epoxy painted for
longer life at a minimum.
|